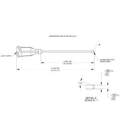
Chamfered Tips

Resists clogging of cyanoacrylates. Use for microdot application of low viscosity fluids.

%s ...
%s
%image %title %code %s
%s