DESKTOP DISPENSING ROBOT NORDSON EV4

Number of Axes 3 axis
Programming PC + camera
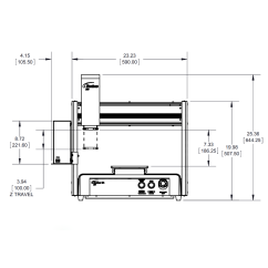
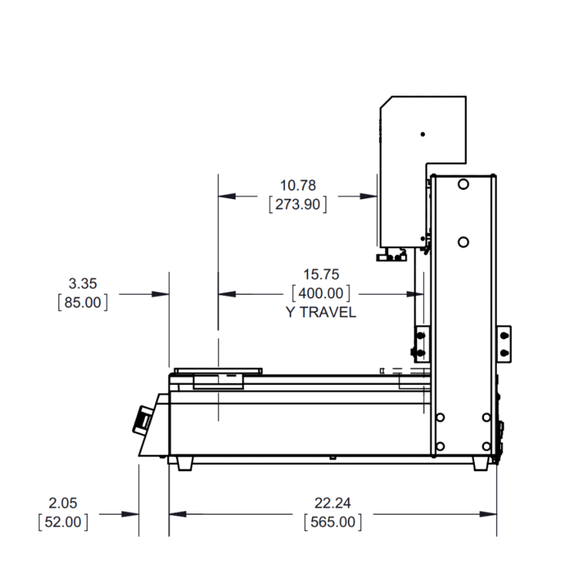
Maximum working area (X/Y/Z) 350/400/100 mm
Workpiece Payload 10 kg
Tool Payload 3 kg
Dimensions 696w x 644h x 638d mm
Maximum speed 800/320mm/s
Drive system 3-phase micro stepping motor
Memory capacity PC storage
External inputs/outputs 8 vstupů / 8 výstupů
Repeatability ±0.008 mm / axis
Weight (kg) 52.5 kg
%s ...
%s
%image %title %code %s
%s