725D-SS PISTON VALVE WITH SS FLUID CHAMBER
725D-SS PISTON VALVE WITH SS FLUID CHAMBER
Pístové ventily pro přesné nánosy viskózních kapalin.
Dávkovací ventily řady 725D dávkují stále stejné množství středních až hustých kapalin včetně tuků a silikonů.
Provedení 725DA-SS umožňuje nastavovat zdvih jak pro průtok kapaliny, tak pro řízení zpětného nasátí. Verze 725D-SS není nastavitelná a zajišťuje stálý zdvih.
|
1K/2K
|
Jedno-komponentní |
|---|---|
|
Typ
|
Pístový |
|
Série
|
725 |
|
Smáčené díly
|
Stainles Steel 303 |
Vlastnosti
• Spolehlivé uzavírání bez odkapávání
• Zpětné nasátí na konci cyklu
• Životnost membrány je delší než 50 milionů cyklů
• Rychlost cyklu vyšší než 400/min
• Vynikající chemická odolnost
• Provedení nenáročné na údržbu
Specifikace
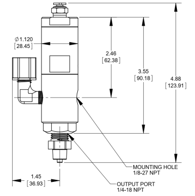
725D-SS (pevná výška zdvihu)
Velikost: 127 mm x průměr 28,4 mm (5,0" x 1,12")
Hmotnost: 279 gramů (9,85 oz)
Požadovaný spouštěcí tlak vzduchu: 70 psi (4,8 barů)
Maximální tlak kapaliny: 100 psi (6.9 barů)
Závit vstupu kapaliny: 1/8 NPT vnitřní
Výstup kapaliny: 1/4 NPT vnitřní
Upevnění: (1) slepý otvor s vnitřním závitem 1/8 NPT nebo nastavitelný montážní blok
Těleso vzduchového válce: Hliník s tvrdou povrchovou vrstvou
Těleso pro dodávku kapaliny: Typ 303, nerezová ocel
Píst: Hliník s tvrdou povrchovou vrstvou
Pružina: Nerezová ocel
Těsnicí hlava/membrána: polymer UHMW*, schváleno podle FDA
